医疗
零售
交通
工业自动化
游戏
概述
智慧病房
护理站
智慧手术室
远程医疗
电子纸解决方案
医疗人工智能
物联网
智能POS系统解决方案
数字标牌解决方案
库存管理解决方案
厨房显示系统(KDS)解决方案
人工智能解决方案
物联网解决方案
自助式 KIOSK 解决方案
公共交通
公共服务
物流运输
重型设备
工业管理
仓储与物流
数据分析
游戏行业
工业及嵌入式主板
Computer-on-Module
计算机系统
Embedded Peripheral
平板电脑/显示器/手持平板电脑
智慧医疗
高性能计算机
AI Computing Platforms
IoT Solution
国产化(兆芯)系列
Digital Paper
ARM-based SBC
1.8" SBC
2.5" SBC Pico-ITX
EPIC SBC
3.5" SBC
Mini-ITX
Micro-ATX
ATX
Open Standard Module
COM-HPC
COM Express Type 6
COM Express Type 10
Eval Carrier Board
Qseven
SMARC
Compact Computing System
Modular Computing System
Expandable Computing System
Barebone System
机架式系统
轨道式系统
交通系统
ARM-based System
Power Board
Display Board
Communication Board
Remote IO Control Module
Industrial Panel PC
移动平板电脑
Open Frame Tablet
Industrial Display
POS Terminal
触摸屏套件
Peripherals & Accessories
ARM-based Panel PC
AI PC & Data Gateway
Medical Display
Medical Tablet
Medical Panel PC
Medical Cart/Stand/Arm/Battery
Video Manager
Server Board
Rackmount & Tower Workstation
Intel® ESQ Qualified Systems
Edge AI System
GPU Expansion System
NVIDIA Solution
High Performance Computing
AI Solution
Flex Touch Console (HMI)
AIR-AI Solution
ARTEMIS-RTLS
COM Express
无风扇系统
扩充系统
强固型人机界面平板电脑
Public Display Solution
eNote
Outdoor Display Solution
研发
工程能力
生产
生产管理
质量验证
质量验证管理
定制
定制化ODM与OEM
售后服务
退货与保修
EOL/PCN公告
常见问题
下载区
eRMA
即将注销
您确定要注销吗?
返回
注销
请登录
您可以在服务中心查看eRMA信息。
登录
产品咨询
全选
通用
BACK
Add-on card applicable in 4U chassis
文档编号
类别
更新日期
修订版本
导出PDF文件
型号
目的
Add-on card applicable in 4U chassis reference
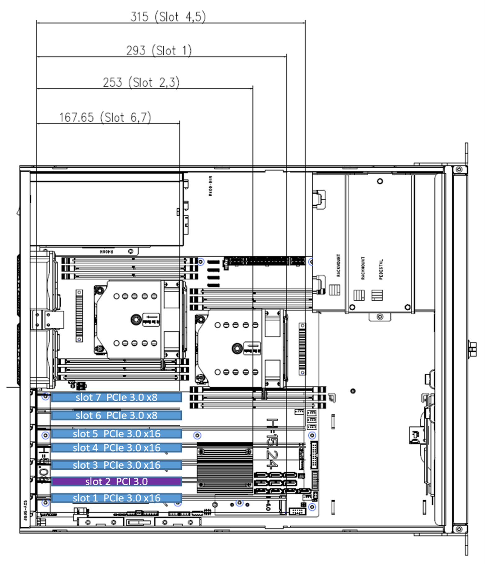
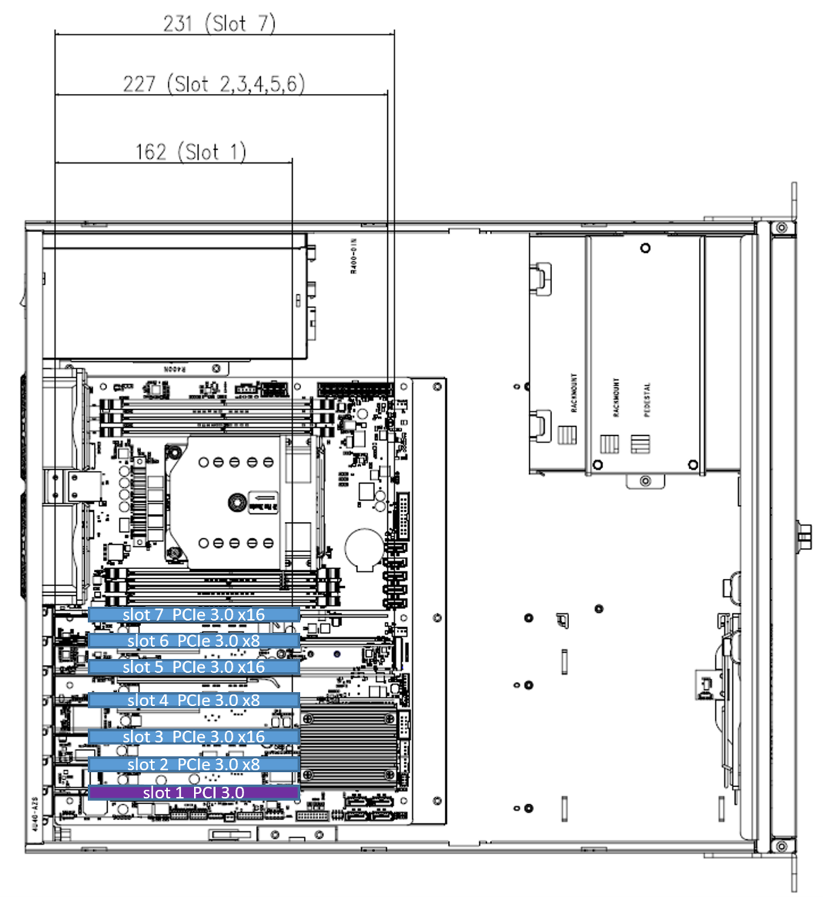
Chassis evaluation => E195TTHP6U4A00R (528*430*174.8mm,INWIN 4U chassis, INWIN)
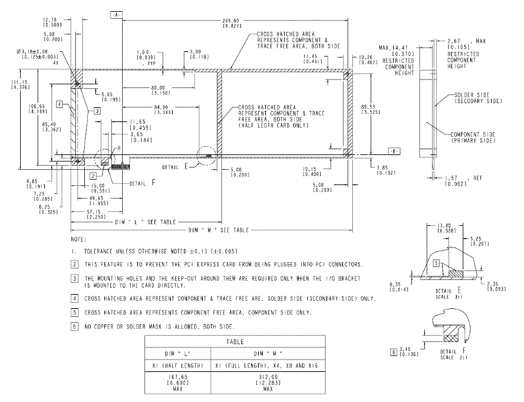
PCI Express specification
HPS-621D4A / HPS-621DTA series (MB: HPM-621DE)
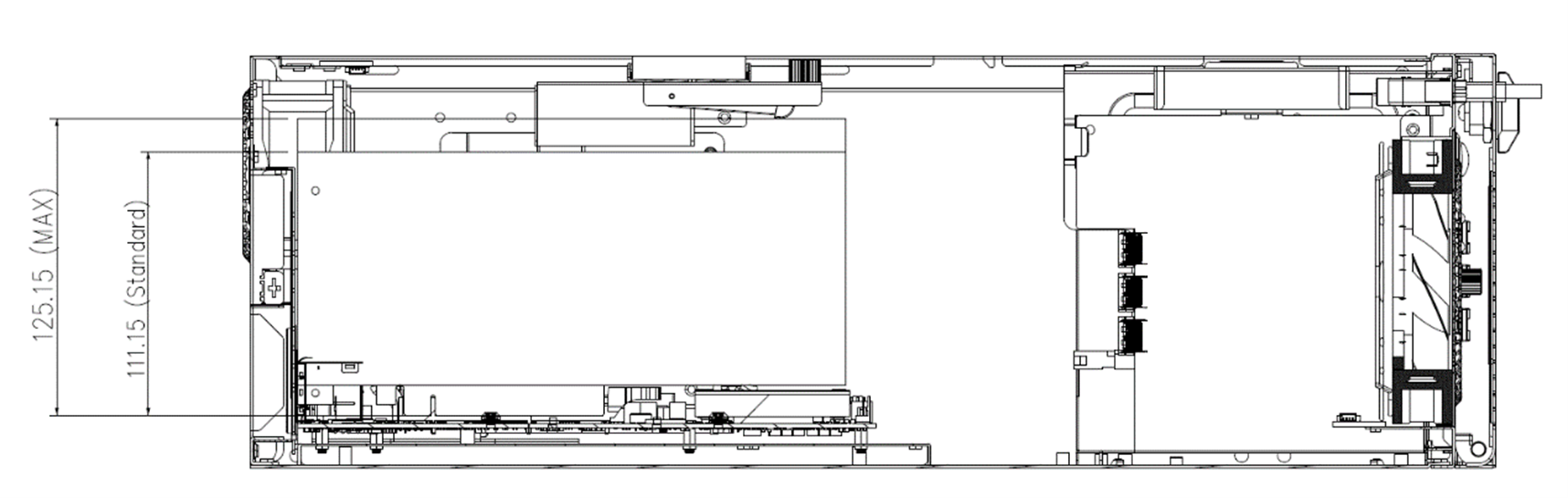
The max length & height PCI/PCIe card
Side view
Height(Based on the hold-on bracket of chassis)
Top view
HPS-621U4A / HPS-621UTA series (MB: HPM-621UA)
HPS-246U4A / HPS-246UTA series (MB:HPM-246)
伙伴专区
伙伴专区,给伙伴们最贴心的服务.
联系我们
如果您有任何疑问,欢迎随时与我们联络,我们将尽快给您回复。
本网站使用浏览器记录Cookie为您提供最佳体验,我们使用的Cookie还包括第三方Cookie。
如需了解相关信息,请访问我们的隐私政策和Cookie政策。如果您选择继续浏览或关闭此提示,则表示您已接受我们的网站使用条款。
关闭
确定
关键字
Language
菜单
订阅
Welcome to subscribe to our e-newsletter. As long as enter your email, you can get first-hand latest news.
订阅主题
Press Release
E-letter
IR News
White Paper
电子邮件
取消订阅
If you decide to unsubscribe from the newsletter, please enter your email below. We will cancel all subscription topics.
取消订阅主题
成功订阅
感谢您的订阅!
已成功取消订阅
我们期待您重新订阅。
需要登录
此电子邮件地址代表我们的会员。您需要登录会员账户,方可进行修改。